Modèle AMI
Référence AMI Marque Keli
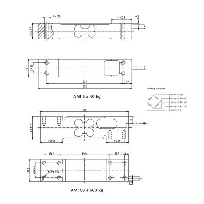
Capteur de pesage en aluminium de type poutre en cisaillement en capacité 5 à 40 kg
Le modèle AMI est un capteur de pesage économique et précis conçu pour les intégrations dans des plateaux de pesage jusqu'à 300 x 300 mm, machines de packaging industriels et autres procédés et systèmes de dosage par pesée de produits en cuves ou réservoirs. Toutes les variantes du capteur AMI offrent légèreté et précision OIML C3 (± 0,03 %) avec une protection environnementale IP65.
Référence AMI Marque Keli
Description
Informations techniques
| Type de produit | Capteur / Transmetteur |
|---|---|
| Grandeur mesurée | Force |
| Technologie | Jauge de déformation |
| Etendue de mesure | 5 / 6 / 8 / 10 / 15 / 20 / 30 / 35 / 40 kg |
| Précision | OIML C3 |
| Sortie | 4 fils nus (rouge alim+ ; noir alim- ; vert signal+ ; blanc signal-) câble longueur 3 m |
| Alimentation | 10 à 12 Vcc |
| Sensibilité | 2.0 ± 0,2 mV/V |
| Impédance d'entrée / sortie | 404 ± 15 Ω / 350 ± 3 Ω |
| Matériau | aluminium |
| Surcharge admissible / maximale | 150 %PE / 200 %PE |
| Protection | IP67 |
| Informations complémentaires | Dimensions max plateforme 300x300 mm |
Caractéristiques
| Type de produit | Capteur / Transmetteur |
|---|---|
| Grandeur mesurée | Force |
| Technologie | Jauge de déformation |
| Etendue de mesure | 5 / 6 / 8 / 10 / 15 / 20 / 30 / 35 / 40 kg |
| Précision | OIML C3 |
| Sortie | 4 fils nus (rouge alim+ ; noir alim- ; vert signal+ ; blanc signal-) câble longueur 3 m |
| Alimentation | 10 à 12 Vcc |
| Sensibilité | 2.0 ± 0,2 mV/V |
| Impédance d'entrée / sortie | 404 ± 15 Ω / 350 ± 3 Ω |
| Matériau | aluminium |
| Surcharge admissible / maximale | 150 %PE / 200 %PE |
| Protection | IP67 |
| Informations complémentaires | Dimensions max plateforme 300x300 mm |









