Modèle YBS
Référence YBS Marque Keli
Capteur de compression haute précision jusqu'à 10 t
Le modèle YBS est un capteur de force en compression adaptable à de très nombreuses situations de pesage industriel. Il est proposé en 6 variantes de capacité pouvant atteindre 10 t qui offrent une protection environnementale IP68 en classe de précision OIML C1 (± 0,001 %). Le modèle YBS est idéal pour le pesage précis de silos, grues et autres structures industrielles.
Référence YBS Marque Keli
Description
Informations techniques
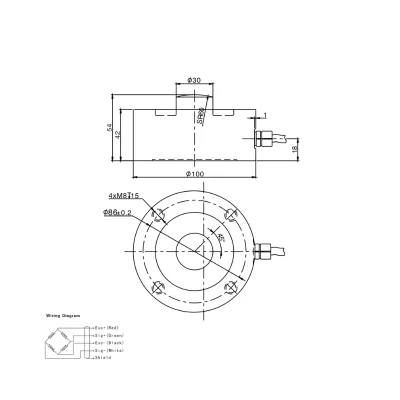
| Type de produit | Capteur / Transmetteur |
|---|---|
| Grandeur mesurée | Force compression |
| Technologie | Jauge de déformation |
| Etendue de mesure | 1 / 2 / 3 / 5 7,5 / 10 t |
| Précision | ± 0,08%PE |
| Sortie | 4 fils nus (rouge alim+ ; noir alim- ; vert signal+ ; blanc signal-) câble longueur 8 m |
| Alimentation | 10 à 12 Vcc |
| Sensibilité | 2.0 ± 0,01 mV/V |
| Impédance d'entrée / sortie | 750 ± 10 Ω / 702 ± 3 Ω |
| Matériau | alliage |
| Surcharge admissible / maximale | 150 %PE / 200 %PE |
| Protection | IP68 |
Caractéristiques
| Type de produit | Capteur / Transmetteur |
|---|---|
| Grandeur mesurée | Force compression |
| Technologie | Jauge de déformation |
| Etendue de mesure | 1 / 2 / 3 / 5 7,5 / 10 t |
| Précision | ± 0,08%PE |
| Sortie | 4 fils nus (rouge alim+ ; noir alim- ; vert signal+ ; blanc signal-) câble longueur 8 m |
| Alimentation | 10 à 12 Vcc |
| Sensibilité | 2.0 ± 0,01 mV/V |
| Impédance d'entrée / sortie | 750 ± 10 Ω / 702 ± 3 Ω |
| Matériau | alliage |
| Surcharge admissible / maximale | 150 %PE / 200 %PE |
| Protection | IP68 |









