Série SK 212
Référence SK 212 Marque GT Joysticks
Joysticks multifonctions à 1 ou 2 axes
Ce modèle conçu pour fonctionner dans les environnements difficiles assure un signal de sortie de grande qualité pour les applications de contrôle nécessitant un haut niveau de fiabilité. Sa fabrication robuste et sa faible profondeur d'installation en font un produit parfait pour les équipements agricoles ou de construction et le marché de l'hydraulique mobile. Le SK212 bénéficie d'une ergonomie spécifique permettant d'ajouter facilement de multiples fonctions (interrupteurs, mini-joysticks ou molettes).
Comme tous les joysticks fabriqués par GT Joysticks, les modèles de la série SK212 sont personnalisables suivant les besoins spécifiques de chaque application OEM. De nombreuses variantes peuvent être dérivées du modèle standard.
Référence SK 212 Marque GT Joysticks
Description
Exemples de configurations SK197


Informations techniques
| Technologie | Effet Hall |
|---|---|
| Nombre d'axes | 1 2 |
| Angle | ± 24°, retour au centre, guidage léger |
| Sortie | 0,5 - 4,5 V CANopen J1939 |
| Alimentation | 8 - 36 Vcc |
| Température de fonctionnement | -30° à +70°C |
| Protection | IP54 IP64 IP65 |
| Longévité | 3M cycles |
| Connexion | Deutsch DTM04-4P |
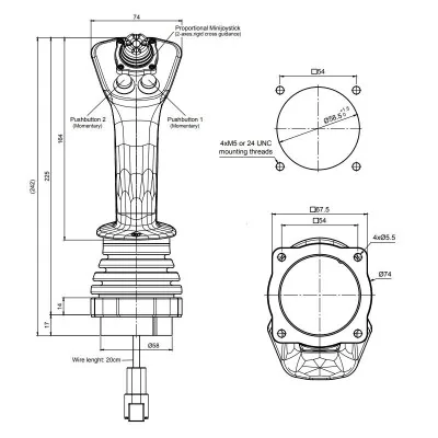
| Montage | 4 x M5 sur Ø54 mm - Découpe Ø58,5 à 60 mm |
| Options | Boutons poussoirs, molettes, mini joysticks, interrupteurs à bascule, protection feu, ... |
Caractéristiques
| Technologie | Effet Hall |
|---|---|
| Nombre d'axes | 1 2 |
| Angle | ± 24°, retour au centre, guidage léger |
| Sortie | 0,5 - 4,5 V CANopen J1939 |
| Alimentation | 8 - 36 Vcc |
| Température de fonctionnement | -30° à +70°C |
| Protection | IP54 IP64 IP65 |
| Longévité | 3M cycles |
| Connexion | Deutsch DTM04-4P |
| Montage | 4 x M5 sur Ø54 mm - Découpe Ø58,5 à 60 mm |
| Options | Boutons poussoirs, molettes, mini joysticks, interrupteurs à bascule, protection feu, ... |










